H
N
H

网站导航: 首页 > 气压马达 > LCYO系列 LFB系列 LFF系列 LGS系列 LGG系列 SLGS系列 P系列 SP系列 T系列 LKW系列 NT系列 NKW系列 PRT100 MVR系列 MRC系列 TFLF系列 TFLG系列 TAG系列 TASG系列

MOTORS PRT100
气压马达 PRT100


紧凑扁形设计,未经减速可获得低转速(低至1--2rpm)高扭力(高至3.4Nm),启动气压可低至0.5公斤,启动扭力稳定。

良好的动力性能,加上完全密封的设计,使得这个马达非常适用于化工、涂料、食品等行业的搅拌应用。
前端法兰可直接连接到市售蜗轮减速箱,可获得更适合的的扭力-功率-转速特征。此马达也非常适用于包装工业,包括:驱动传送带,移动平台,驱动气动吊车,也可用于开闭天窗、遮阳篷或驱动绞车。

完美的密封、防水结构使得此马达尤其适用于恶劣的天气或使用环境。


Reversible 正反向旋转 Power功率 340Watt Air Consumption 空气消耗 570Nl/1'
 Code
编号
Speed rpm
转速 rpm
Torque Nm
牛米 Nm
Weight
重量
-- --No-load
空载时
Max Power
最大功率时
Max Power
最大功率时
Static Torque
最大扭矩
Kg
 10731246400017001.83.4--
       
       
Data measured at pressure of 6 bar. 以上数据在6bar气压测量获得。

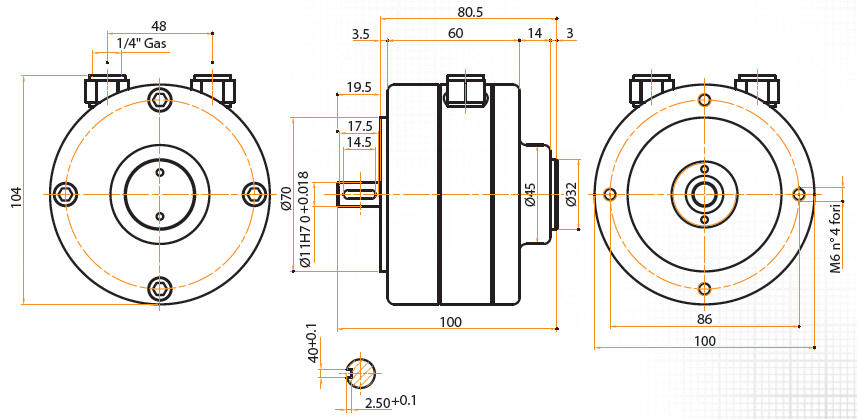
外形尺寸

说明:
性能曲线


==>>

欢迎留下您的建议或咨询!

 

版权所有(C) 2009 HNH www.hnhpowertools.com/ober 中国广东广州