| 正反向旋转 |
功率 400Watt | 空气消耗
560Nl/1' |
| |
编号 |
转速 rpm |
扭矩 Nm |
重量 |
进排气口尺寸 | | --
| -- |
空载时 |
最大功率时 |
最大功率时 |
最大扭矩 | Kg |
| | - | 01010001 | 21000 | 11500 | 0.33 | 0.49 | 1.0 |  | | | 01010002 | 7000 | 3850 | 1.0 | 1.4 | 1.2 | | - | 01010003 | 5150 | 2700 | 1.4 | 2.0 | 1.2 | | | 01010004 | 4150 | 2310 | 1.6 | 2.5 | 1.2 |
| - | 01010005 | 2600 | 1450 | 2.7 | 3.9 | 1.2 | | | 01010006 | 1300 | 710 | 5.3 | 7.8 | 1.5 |
| - | 01010007 | 1000 | 570 | 6.8 | 9.9 | 1.5 | | - | 01010008 | 650 | 360 | 10.6 | 15.6 | 1.5 | | - | 01010009 | 520 | 280 | 13.6 | 19.6 | 1.5 | | - | 01010010 | 250 | 140 | 26.5 | 38.0 | 1.7 |
| - | 01010011 | 200 | 110 | 33.0 | 45.0 | 1.7 |
最小供气管内径8mm。 以上数据基于6bar气压。 |
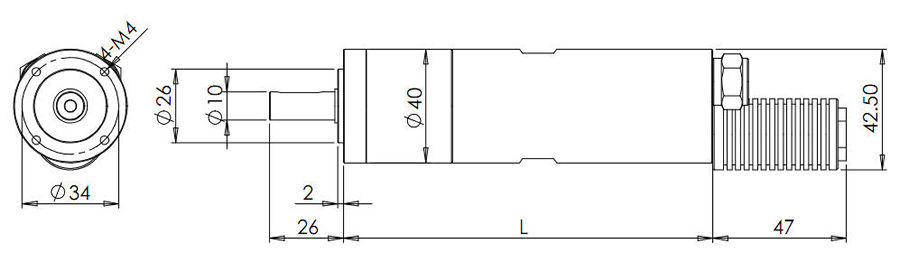
外形尺寸 | 
说明:
1.
编号:01010001/...2/...3/...4/...5 L=130mm;编号:01010006/...7/...8/...9 L=143mm;编号:01010010,01010011
L=155mm 2. 消声器和进气口接头可以拆除 |
|
| |
|